Loading...
|
技术参数 |
|
||
|
UL/CUL |
|||
|
等级 |
B |
C |
D |
|
额定电压(V) |
|
300V |
|
|
额定电流(A) |
|
12A |
|
|
接线范围 |
|
||
|
单/多芯线(AWG) |
|||
|
耐电压 |
2000V |
||
|
接触电阻 |
<20 mΩ |
|
|
|
技术参数 |
- |
||
|
IEC |
|||
|
过电压类别 |
Ⅲ |
Ⅲ |
Ⅱ |
|
污染级别 |
3 |
2 |
2 |
|
额定电压(V) |
|
300V |
|
|
额定电流(A) |
|
12A |
|
|
额定冲击电压(KV) |
|
2.5 |
|
|
导线截面积 |
|
||
|
硬性/柔性导线(mm2) |
|||
|
材料 |
|||
|
绝缘材料 |
PC |
||
|
阻燃等级 |
UL94V-0 |
||
|
导体材料 |
黄铜 H65 |
||
|
导体表面镀层 |
镀镍锡 |
||
|
一般参数 |
|||
|
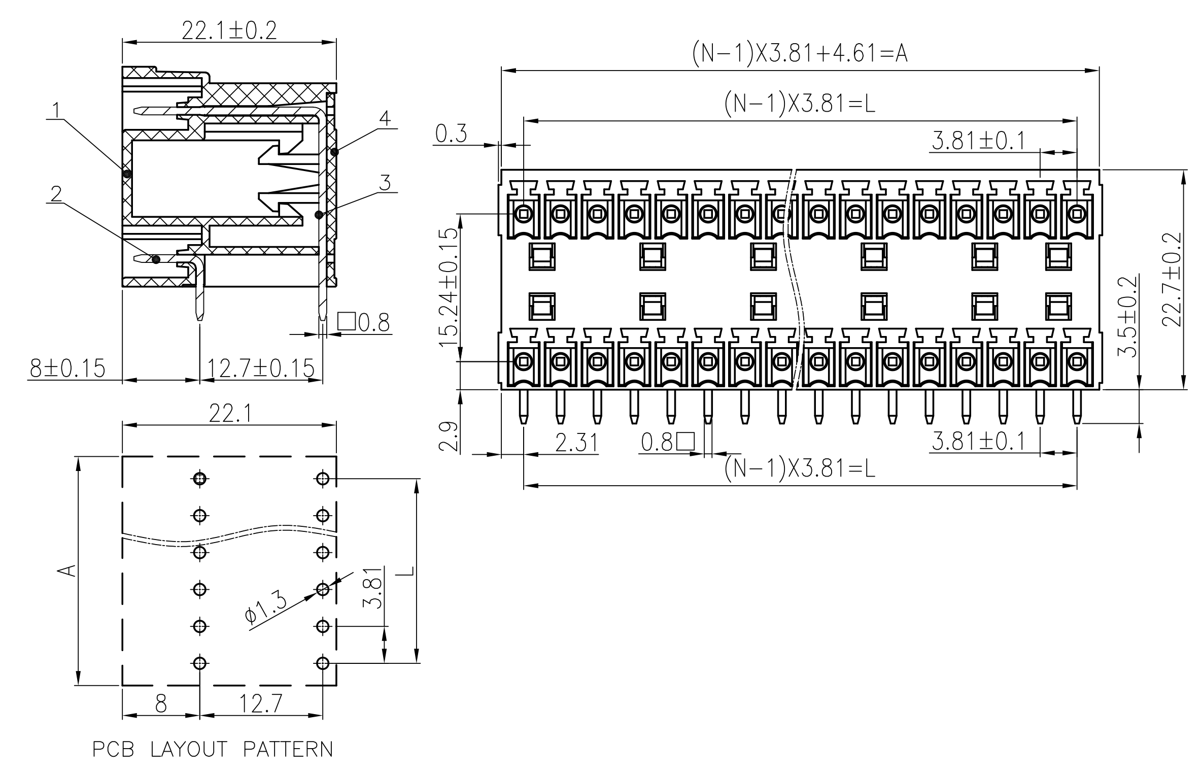
间距(mm) |
3.81mm |
||
|
级数(P) |
2~24P |
||
|
剥线长度(mm) |
|
||
|
螺丝 |
|
||
|
扭矩(N.m) |
|||
|
工作温度(℃) |
-40~+105℃ |
||
|
引针尺寸(mm) |
|
||
|
PCB板孔径(mm) |
|
||
|
包装单位 |
300 |
||
|
最小订货量 |
|
||
|
产品重量(不含包装) |
|
||